| 地名:交通西路 | 交通西路区域代码:330382122000 |
| 镇级街道:北白象镇 | 北白象镇区域代码:330382122000 |
| 区县级市:乐清市 | 电话区号:0577 |
| 所在城市:温州市 | 邮政编码:325600 |
| 所在省份:浙江省 | 营业时间:上午8:00-下午17:00 |
| 城市代码:330382 | 所属商圈:交通西路 |
| 车牌号码:浙C | 电话: |
| 所属类型:汽车维修 | 地址:浙江省温州市乐清市北白象镇交通西路170号(北白象镇樟兴路与象白路交叉口西50米) |
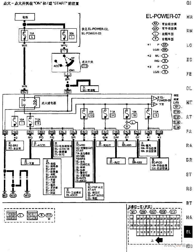
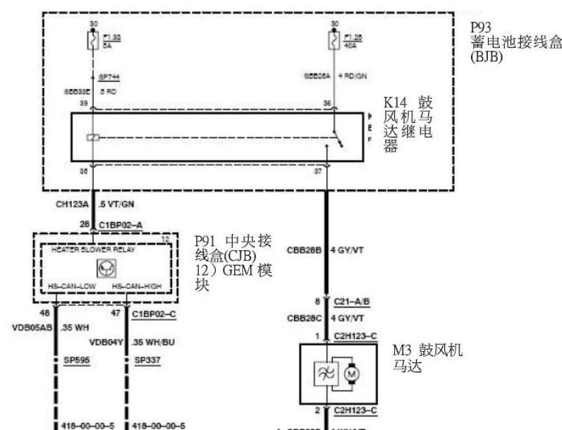
![]() 电瓶空调电路>>位置示意图 |
| 地名:交通西路 | 交通西路区域代码:330382122000 |
| 镇级街道:北白象镇 | 北白象镇区域代码:330382122000 |
| 区县级市:乐清市 | 电话区号:0577 |
| 所在城市:温州市 | 邮政编码:325600 |
| 所在省份:浙江省 | 营业时间:上午8:00-下午17:00 |
| 城市代码:330382 | 所属商圈:交通西路 |
| 车牌号码:浙C | 电话: |
| 所属类型:汽车维修 | 地址:浙江省温州市乐清市北白象镇交通西路170号(北白象镇樟兴路与象白路交叉口西50米) |
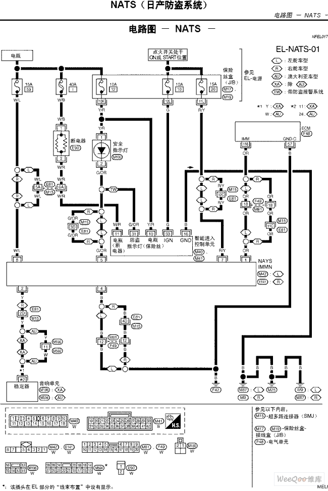
![]() 电瓶空调电路>>位置示意图 |
电瓶空调电路简介资料,电瓶空调电路在哪里,电瓶空调电路位置地址在浙江省温州市乐清市,北白象镇交通西路附近
电瓶空调电路概况介绍,地址位于乐清市北白象镇象白路旁边,也就是在浙江省温州市乐清市北白象镇交通西路170号(北白象镇樟兴路与象白路交叉口西50米)附近。
电瓶空调电路是浙江省温州市下的汽车维修,评分等级:A级|3.3,所属商圈:交通西路
★坐公交车去电瓶空调电路可以选择在附近公交站点有浙江省温州市乐清市白象客运站(公交站)上下车【距离8米】途经公交车有乐清216路;乐清608A路;乐清608路;乐清612路;乐清615路;乐清621A路(赵家硐);乐清621B路(张家湾);乐清K118路
☸坐轮船来电瓶空调电路在附近港口码头:吃货码头|距离:5602m (浙江省温州市乐清市龙翔街与松鹤南路交叉口北60米)下船
♨坐客车到电瓶空调电路请在附近客运中心汽车站:柳市客运站|距离:5462m (浙江省温州市乐清市车站路70号)下车,再选择打车、地铁、公交车到电瓶空调电路就很近了
☧坐火车、动车、高铁来电瓶空调电路就在最近火车站:温州站|距离:16982m (浙江省温州市鹿城区温州大道)下车
✈坐飞机来电瓶空调电路就在距离最近的飞机场:温州龙湾国际机场|距离:14278m (浙江省温州市龙湾区机场大道1号)那里落地,再选择打车、地铁、公交车到电瓶空调电路附近
电瓶空调电路附近好玩吗,有什么好玩的地方,有什么景区景点,电瓶空调电路附近有❁**樟湾山党建主题公园**在浙江省温州市乐清市水塔南路与象塔北路交叉口西南200米,距离:231米,游客综合评价为4.4分。樟湾山党建主题公园这是属于风景名胜;公园广场;公园,风景秀丽、人文底蕴深厚。
电瓶空调电路周边有什么好吃的地方,餐厅或饭店,有什么必吃的小吃美食推荐,电瓶空调电路附近美食有♨**晓风黄焖鸡米饭(象西店)**在浙江省温州市乐清市北白象镇象西北路47号,过去有206米,吃货评分为4.00分。晓风黄焖鸡米饭(象西店)这是一家餐饮服务;中餐厅;特色/地方风味餐厅,食材新鲜,做法精致,口感细腻,服务周到。
电瓶空调电路附近酒店推荐,住宿哪家好,宾馆民宿有哪些,电瓶空调电路附近酒店住宿有۩**乐清西苑宾馆**地址位于:浙江省温州市乐清市北白象镇交通中路38号(白象老车站旁边),距离:623米,旅行者评分为4.00分。乐清西苑宾馆提供住宿服务;宾馆酒店;宾馆酒店,带免费WiFi的空调客房。客房现代舒适,配有电视,电热水壶和私人浴室等设施。
在电瓶空调电路想上厕所,卫生间,洗手间距离约:705米有**公共厕所**在浙江省温州市乐清市友谊路50号。
自驾,开车到电瓶空调电路的车主,到达目的地距离约:312米,**停车场(水塔南路)**地址在浙江省温州市乐清市水塔南路樟湾新村,是位于路边的停车位。附近哪家加油站服务好,充电站,充电桩,新能源充电有哪些,推荐最近距离约:98米有一家**壳牌加油站(浙江樟湾站)**位于浙江省温州市乐清市北白象镇樟湾村附近,开放时间是全天24小时。开电车,新能源汽车车主可以到距离约:85米有**乐运充电汽车充电站(白象站)**位于浙江省温州市乐清市北白象客运站附近,充电时间是全天24小时营业。
来电瓶空调电路消费,需要办理金融服务,现金取现,电瓶空调电路附近银行、ATM机距离约:437米**浙江农信乐清农商银行24小时自助银行(茗屿支行)**在浙江省温州市乐清市交通西路与漳河东路交叉口西南20米附近,类型:金融保险服务;自动提款机;农村商业银行ATM,ATM网点是全天24小时开放。
电瓶空调电路周边卫生院推荐,诊所哪家好,医院有哪些,距离约:275米,**乐清东敏中西医结合医院**位于浙江省温州市乐清市北白象镇樟湾村樟溪路10-22号,医院急诊是全天24小时值班。
电瓶空调电路附近小区推荐,商务办公楼哪家好,公寓住宅有哪些,距离约:56米,**江南石化大厦**地址是浙江省温州市乐清市北白象镇樟兴路与象白路交叉口西50米,是商务住宅;楼宇;商务写字楼。
电瓶空调电路周边单位有哪些,距离约:131米,**乐清市交通运输北白象综合行政执法队**地址是浙江省温州市乐清市交通西路与象白路交叉口西南150米,是政府机构及社会团体;政府机关;乡镇级政府及事业单位方面的单位部门。
电瓶空调电路附近科教推荐,教育哪家好,培训机构有哪些,距离约:205米,**艺幼幼儿园**地址是浙江省温州市乐清市北白象镇正宗兰州拉面刀削面万隆路129号,是科教文化服务;学校;幼儿园方面的部门机构。
电瓶空调电路距离80米有一家公司企业:**仓华数控铣加工**类型是公司企业;公司;公司,地点在浙江省温州市乐清市象白路与樟西路交叉口西60米。
电瓶空调电路周边地名,附近道路有哪些,电瓶空调电路旁边有樟西路,樟溪路,象西北路,富康西路,樟汇路,公园路,五龙街,五龙路,象塔北路,水塔南路,漳河西路,万隆路,人民北路,长青路,中乐路,民安路,漳河路,万象路,长乐路,富康东路,等等地名。
电瓶空调电路位于北白象镇樟兴路与象白路交叉口西50米(江南石化大厦)商务写字楼西北方向56.3665米的位置。
电瓶空调电路位于水塔南路与象塔北路交叉口西南200米(樟湾山党建主题公园)公园南方向230.755米的位置。
电瓶空调电路位于北白象镇正宗兰州拉面刀削面万隆路129号(艺幼幼儿园)幼儿园东北方向205.307米的位置。
电瓶空调电路位于交通西路与象石路交叉口西60米(大新全屋快速整装)家居建材市场西方向77.6072米的位置。
电瓶空调电路位于交通西路与象白路交叉口西南150米(乐清市交通运输北白象综合行政执法队)乡镇级政府及事业单位西南方向130.909米的位置。
电瓶空调电路位于北白象镇樟湾村樟溪路10-22号(乐清东敏中西医结合医院)综合医院东方向274.982米的位置。
电瓶空调电路位于象石路与交通西路交叉口西南180米(黄氏宗祠)寺庙道观西南方向204.343米的位置。
电瓶空调电路位于乐清市(樟湾村)村庄级地名东方向283.517米的位置。
电瓶空调电路位于象塔北路66号(樟湾新村)住宅小区东南方向332.502米的位置。
电瓶空调电路位于北白象镇樟湾新村10号楼一楼(健林画室(北白象校区))培训机构东南方向286.514米的位置。
电瓶空调电路位于樟兴路与象白路交汇处东100米(长城防爆电器厂)工厂东北方向98.1347米的位置。
电瓶空调电路位于北白象樟湾工业区樟兴路28号(东亚电器)工厂西北方向113.669米的位置。
电瓶空调电路位于象石路与交通西路交叉口西南120米(北白象运管所)政府机关相关西南方向135.611米的位置。
电瓶空调电路位于樟兴路与富康西路交叉口北180米(前西漳村)住宅小区北方向334.605米的位置。
电瓶空调电路位于象石路与交通西路交叉口西南40米(樟湾首末站)交通服务相关西南方向57.1448米的位置。
电瓶空调电路位于北白象镇交通西路249-251号(宝博洛全屋定制)家居建材市场西方向294.498米的位置。
电瓶空调电路位于樟汇路与五龙路交叉口西南40米(中共东敏中西医结合医院支部委员会)医疗保健服务场所东方向277.737米的位置。
电瓶空调电路位于北白象镇樟湾新村11幢1号(妙香汁(樟湾店))快餐厅东南方向269.104米的位置。
电瓶空调电路位于樟溪路78-8号附近(乐清市康正铁芯厂)工厂东北方向147.373米的位置。
电瓶空调电路位于北白象镇樟湾工业区38-2号(乐清鸿羽电气科技有限公司)公司西北方向157.198米的位置。
电瓶空调电路位于五龙街与五龙路交叉口北40米(樟湾村党群服务中心)乡镇以下级政府及事业单位东北方向327.076米的位置。
电瓶空调电路位于万里路与五龙路交叉口西40米(乐清市沪江宾馆有限公司)宾馆酒店东北方向282.825米的位置。
电瓶空调电路位于北白象镇樟湾新村8-9幢(儿童之家幼儿园)幼儿园东南方向355.467米的位置。
电瓶空调电路位于五龙路50号(樟湾村退役军人服务站)乡镇以下级政府及事业单位东北方向330.091米的位置。
电瓶空调电路位于樟湾村委员会(乐清市人民法院共享法庭(樟湾村))法院东北方向330.687米的位置。
电瓶空调电路位于北白象镇樟湾新村(巨盈铜业公司)公司东南方向270.878米的位置。
电瓶空调电路位于水塔南路与象塔北路交叉口南140米(中共儿童之家幼儿园支部委员会)科教文化场所东南方向350.221米的位置。
电瓶空调电路位于水塔南路与象塔北路交叉口南140米(莱卡舞蹈)培训机构东南方向362.681米的位置。
电瓶空调电路位于北白象镇樟塆工业区富康西路(乐清市威鸿电气有限公司)公司西北方向307.505米的位置。
电瓶空调电路位于北白象镇,漳兴路,漳兴小区西边(万城汽修厂)汽车维修北方向316.323米的位置。
感谢盛士杰、胥萻、归楈蓱提供电瓶空调电路基本资料,感谢亢貑、何枦凢整理上传电瓶空调电路图片
►位置地图◄
►全部图片◄
►驾车路线◄
向东行驶115米左转
向西北行驶151米右转
沿车站大道向东北行驶22米右转
沿温州大道途径张宅河桥向东行驶2.2千米左转
沿汤家桥路途径旺增河桥向东北行驶1.4千米进入环岛
向东北行驶108米离开环岛
沿汤家桥路向北行驶1.3千米右转进入主路
沿学院东路向东行驶1.1千米靠左沿主路行驶
沿学院东路途径七都大桥向东行驶2.2千米靠左沿主路行驶
沿七都大桥途径104国道向东北行驶2.0千米靠右
沿104国道向东行驶1.4千米靠左
沿104国道向东行驶345米直行进入隧道
沿牛岩隧道途径104国道、东垟(1)桥向东行驶6.6千米向右前方行驶
沿交通西路向东行驶1.2千米左转
沿象白路向北行驶22米到达目的地
►骑行路线◄
ⓞ向东骑行84米左转
ⓞ向北骑行36米右转
ⓞ骑行23米左转
ⓞ向北骑行83米右转
ⓞ沿温州大道向东骑行2076米左转
ⓞ沿汤家桥路向东北骑行1456米向右前方行驶
ⓞ骑行108米向右前方行驶
ⓞ向北骑行1283米右转
ⓞ沿学院东路向东骑行1589米直行
ⓞ沿七都大道向东骑行1731米
ⓞ沿七都大道骑行592米左转
ⓞ沿汇侨街向东北骑行365米右转
ⓞ沿沙洲路向东骑行621米直行
ⓞ沿纬二路向东骑行31米左转
ⓞ向东北骑行232米向右前方行驶
ⓞ向东骑行372米向左前方行驶
ⓞ向东骑行731米左转
ⓞ向北骑行15米左转
ⓞ向西北骑行104米直行
ⓞ沿乌牛-七都向东北骑行981米直行
ⓞ向东北骑行116米右转
ⓞ沿交通西路向东骑行105米直行
ⓞ沿交通东路向东骑行384米直行
ⓞ沿小学巷向东南骑行551米直行
ⓞ沿交通东路向东骑行516米向右前方行驶
ⓞ沿104国道向东北骑行4231米向右前方行驶
ⓞ沿交通西路向东骑行1247米左转
ⓞ沿象白路向北骑行22米到达目的地
►步行路线◄
➤步行32米左转
➤步行119米左转
➤沿站前路向东北步行411米右转
➤沿玉虹南路向南步行306米左转
➤步行78米左转
➤沿象白路向南步行1350米向右前方行走
➤向南步行69米右转
➤沿交通路向西南步行3411米直行
➤沿交通北路向南步行532米右转
➤向西南步行759米向右前方行走
➤向西南步行302米左转
➤沿象白路向南步行30米到达目的地
►网友评论◄
微信公众号文章推荐
|
|
|
|
为您推荐更多相关文章
|















































































