| 地名:京福线 | 京福线区域代码:330326101000 |
| 镇级街道:鳌江镇 | 鳌江镇区域代码:330326101000 |
| 区县级市:平阳县 | 电话区号:0577 |
| 所在城市:温州市 | 邮政编码:325400 |
| 所在省份:浙江省 | 营业时间:上午8:00-下午17:00 |
| 城市代码:330326 | 所属商圈:京福线 |
| 车牌号码:浙C | 电话: |
| 所属类型:汽车维修 | 地址:温州市平阳县虹桥镇朴湖村东湖小区A栋幸福西路1091号 |
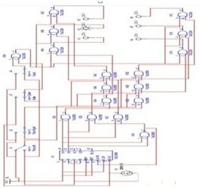
汽车电路>>位置示意图 |
| 地名:京福线 | 京福线区域代码:330326101000 |
| 镇级街道:鳌江镇 | 鳌江镇区域代码:330326101000 |
| 区县级市:平阳县 | 电话区号:0577 |
| 所在城市:温州市 | 邮政编码:325400 |
| 所在省份:浙江省 | 营业时间:上午8:00-下午17:00 |
| 城市代码:330326 | 所属商圈:京福线 |
| 车牌号码:浙C | 电话: |
| 所属类型:汽车维修 | 地址:温州市平阳县虹桥镇朴湖村东湖小区A栋幸福西路1091号 |
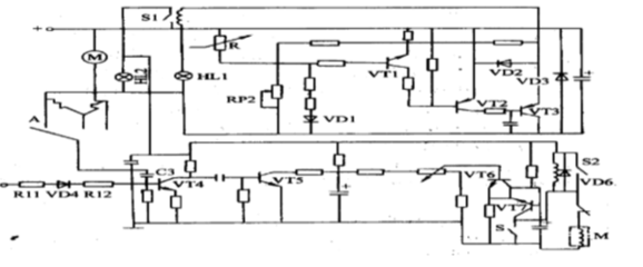
汽车电路>>位置示意图 |
汽车电路简介资料,汽车电路在哪里,汽车电路位置地址在浙江省温州市平阳县,鳌江镇京福线附近
汽车电路概况介绍,地址位于平阳县鳌江镇京福线旁边,也就是在温州市平阳县虹桥镇朴湖村东湖小区A栋幸福西路1091号附近。
汽车电路是浙江省温州市下的汽车维修,评分等级:汽车维修|3.6,所属商圈:京福线
★坐公交车去汽车电路可以选择在附近公交站点有浙江省温州市平阳县垂杨(公交站)上下车【距离601米】途经公交车有平阳005路;平阳007路;平阳008路;平阳118路;平阳210路;平阳216路;平阳303路;平阳320路
☸坐轮船来汽车电路在附近港口码头:旺厂村南麂货运码头|距离:1319m (浙江省温州市平阳县沿江路与西三街交叉口北400米)下船
♨坐客车到汽车电路请在附近客运中心汽车站:鳌江客运中心|距离:3121m (浙江省温州市平阳县新河北路160号)下车,再选择打车、地铁、公交车到汽车电路就很近了
☧坐火车、动车、高铁来汽车电路就在最近火车站:温州站|距离:45548m (浙江省温州市鹿城区温州大道)下车
✈坐飞机来汽车电路就在距离最近的飞机场:温州龙湾国际机场|距离:47220m (浙江省温州市龙湾区机场大道1号)那里落地,再选择打车、地铁、公交车到汽车电路附近
汽车电路附近好玩吗,有什么好玩的地方,有什么景区景点,汽车电路附近有❁**乐行广场**在浙江省温州市平阳县垂柳街与杨心路交叉口东南240米,距离:812米,游客综合评价为3.5分。乐行广场这是属于风景名胜;公园广场;公园广场,风景秀丽、人文底蕴深厚。
汽车电路周边有什么好吃的地方,餐厅或饭店,有什么必吃的小吃美食推荐,汽车电路附近美食有♨**埭垂面馆**在浙江省温州市平阳县京福线西北侧,过去有79米,吃货评分为3.70分。埭垂面馆这是一家餐饮服务;中餐厅;中餐厅,食材新鲜,做法精致,口感细腻,服务周到。
汽车电路附近酒店推荐,住宿哪家好,宾馆民宿有哪些,汽车电路附近酒店住宿有۩**龙港宏城商务宾馆**地址位于:浙江省温州市龙港市世纪大道龙港礼品城2栋,距离:1748米,旅行者评分为4.50分。龙港宏城商务宾馆提供住宿服务;宾馆酒店;宾馆酒店,带免费WiFi的空调客房。客房现代舒适,配有电视,电热水壶和私人浴室等设施。
在汽车电路想上厕所,卫生间,洗手间距离约:1173米有**公共厕所**在浙江省温州市平阳县104国道东50米。
自驾,开车到汽车电路的车主,到达目的地距离约:64米,**奥彩停车棚**地址在浙江省温州市平阳县京福线与贵德新路交叉口西南340米,是位于地面的停车位。附近哪家加油站服务好,充电站,充电桩,新能源充电有哪些,推荐最近距离约:423米有一家**中国石油温州市平阳县岱头加油站**位于浙江省温州市平阳县钱仓镇塘川乡104国道金岙村路段附近,开放时间是全天24小时。开电车,新能源汽车车主可以到距离约:1579米有**特来电充电站(温州平阳长庚医院充电站)**位于浙江省温州市平阳县敖江大道611号附近,充电时间是全天24小时营业。
来汽车电路消费,需要办理金融服务,现金取现,汽车电路附近银行、ATM机距离约:1715米**平阳农商银行(鳌江支行商诚分理处)**在浙江省温州市平阳县鳌江镇兴鳌西路128号附近,类型:金融保险服务;银行;农村商业银行,ATM网点是全天24小时开放。
汽车电路周边卫生院推荐,诊所哪家好,医院有哪些,距离约:394米,**DDS生物电疗法**位于浙江省温州市平阳县贵德新路与京福线交叉口东南160米,医院急诊是全天24小时值班。
汽车电路附近小区推荐,商务办公楼哪家好,公寓住宅有哪些,距离约:499米,**塘川社区贵德村居**地址是浙江省温州市平阳县贵德新路西北侧,是商务住宅;住宅区;住宅小区。
汽车电路周边单位有哪些,距离约:498米,**平阳县人民法院共享法庭(塘川社区)**地址是浙江省温州市平阳县塘川社区办公楼内,是政府机构及社会团体;公检法机构;法院方面的单位部门。
汽车电路附近科教推荐,教育哪家好,培训机构有哪些,距离约:500米,**贵德文化礼堂**地址是浙江省温州市平阳县贵德新路与京福线交叉口东南400米,是科教文化服务;科教文化场所;科教文化场所方面的部门机构。
汽车电路距离98米有一家公司企业:**天丰铝型材**类型是购物服务;家居建材市场;建材五金市场|公司企业;公司;公司,地点在浙江省温州市平阳县104国道。
汽车电路周边地名,附近道路有哪些,汽车电路旁边有旺厂中心路,贵德新路,金阳路,旺厂路,杨心路,垂柳街,鳌江一桥,龙阳路,龙港大桥,园林西路,鳌江一桥,大桥路,山外西路,龙山头,进港路,通港路,天水路,西五街,徐家站路,山外中路,等等地名。
平阳德信煤炭占地面积约:14691㎡和温州市平阳县虹桥镇朴湖村东湖小区A栋幸福西路1091号相距 ⇄ 31.6234m
汽车电路位于贵德村104国道南路66号(平阳德信煤炭)矿产公司东南方向138.356米的位置。
汽车电路位于平阳县(朱墩桥)桥西南方向182.769米的位置。
汽车电路位于鳌江镇104国道18号(垂杨机电工业区)产业园区西南方向194.973米的位置。
汽车电路位于京福线西北侧(埭垂面馆)中餐厅西南方向79.2989米的位置。
汽车电路位于鳌江镇垂阳工业园区(浙江奥光实业有限公司)公司东方向169.201米的位置。
汽车电路位于104国道(天丰铝型材)建材五金市场|公司西北方向98.2627米的位置。
汽车电路位于敖江镇垂杨变电所路8号(平阳隆聚特钢有限公司)公司北方向118.401米的位置。
汽车电路位于京福线与旺厂路交叉口南140米(浙江通用包装机械厂)工厂南方向174.679米的位置。
汽车电路位于鳌江镇垂杨贵德村(浙江三龙通用机械有限公司)机械电子东方向238.138米的位置。
汽车电路位于变电所路22号(温州和丰煤炭有限公司)公司西北方向213.242米的位置。
汽车电路位于鳌江镇旺厂中心路8号(浙江广天化工)冶金化工东南方向299.535米的位置。
汽车电路位于104国道1965.3千米处(浙江南一塑料机械有限公司)机械电子东方向332.816米的位置。
汽车电路位于贵德新路50号(诺信软包)家居建材市场东北方向380.279米的位置。
汽车电路位于鳌江镇垂杨机电工业区(浙江嘉益机械有限公司)机械电子西南方向347.9米的位置。
汽车电路位于鳌江镇岱头村国道北路195号(平阳县春盛塑料制品厂)工厂西南方向338.561米的位置。
汽车电路位于贵德新路与京福线交叉口东南160米(DDS生物电疗法)医疗保健服务场所东方向393.637米的位置。
汽车电路位于敖江镇旺厂中心路68号(林峰塑料机械厂)工厂东南方向378.092米的位置。
汽车电路位于贵德新路与京福线交叉口东100米(104国道基督教堂)教堂东北方向467.893米的位置。
汽车电路位于鳌江镇(贵德村村委会)乡镇以下级政府及事业单位东方向500.18米的位置。
汽车电路位于鳌江镇垂杨铁路桥边(塘川社区)商务住宅相关东北方向505.662米的位置。
汽车电路位于鳌江镇园林西路388号(浙江旭漠生物科技有限公司)工厂东南方向421.697米的位置。
汽车电路位于平阳县(贵德村)村庄级地名东方向499.885米的位置。
汽车电路位于鳌江镇贵德新路128号(品亿纸业)公司东方向426.069米的位置。
汽车电路位于贵德新路与京福线交叉口东南400米(贵德文化礼堂)科教文化场所东方向499.598米的位置。
汽车电路位于钱仓镇塘川乡104国道金岙村路段(中国石油温州市平阳县岱头加油站)中国石油西南方向422.741米的位置。
汽车电路位于旺厂路与京福线交叉口东南460米(岩板定制中心)家居建材市场东南方向495.375米的位置。
汽车电路位于贵德新路西北侧(塘川社区贵德村居)住宅小区东方向499.014米的位置。
汽车电路位于贵德新路西北侧(平阳县山海应急救援服务中心)区县级政府及事业单位东方向500.259米的位置。
汽车电路位于中国石油岱头加油站西南侧100米(温州简爱文化传媒有限公司)传媒机构西南方向523.935米的位置。
汽车电路位于平阳县(蔡河)村庄级地名东南方向532.483米的位置。
感谢桂强、史铋、校岖濠提供汽车电路基本资料,感谢空蠡、慕潫烍整理上传汽车电路图片
►位置地图◄
►全部图片◄
►驾车路线◄
向东行驶115米左转
向西北行驶151米右转
沿车站大道向东北行驶22米左转
沿温州大道向西行驶656米左转
沿瓯越大道途径瓯越大道辅路向南行驶2.4千米靠左进入中间岔道
沿瓯越大道向南行驶3.0千米向右前方行驶进入匝道
沿温州南枢纽向东南行驶736米减速行驶到达收费站
沿温州南枢纽向东南行驶105米靠左
沿温州南枢纽向南行驶858米靠右
沿温州南枢纽途径G15沈海高速、四脚亭大桥、罗凤高架桥向南行驶13.0千米直行进入隧道
沿三都岭隧道途径G15沈海高速、金宕大桥、万全大桥、鲍岱大桥向西南行驶19.5千米向右前方行驶进入匝道
沿平阳互通向南行驶919米减速行驶到达收费站
沿平阳互通向东行驶139米右转
沿104国道途径人民路、京福线向南行驶2.0千米直行进入隧道
沿九凰山隧道途径京福线、104国道向东南行驶2.5千米向右前方行驶进入右转专用道
沿昆鳌路向南行驶249米右转
沿昆鳌路途径京福线、鸽巢桥向西南行驶6.3千米到达目的地
►骑行路线◄
ⓞ骑行5米左转
ⓞ向西骑行163米右转
ⓞ向北骑行140米右转
ⓞ沿温州大道向东骑行183米左转
ⓞ沿车站大道向北骑行13米左转
ⓞ沿温州大道向西骑行668米左转
ⓞ沿瓯越大道辅路向南骑行7000米直行
ⓞ骑行18米右转
ⓞ沿鹅湖路向西骑行84米左转
ⓞ沿鹅湖路(东)向西南骑行613米直行
ⓞ沿鹅湖路向西南骑行181米直行
ⓞ沿山根工业路向西南骑行254米直行
ⓞ向西南骑行174米右转
ⓞ向西骑行90米向左前方行驶
ⓞ向西南骑行771米直行
ⓞ沿富强路向南骑行1124米向右前方行驶
ⓞ沿富强路向南骑行39米直行
ⓞ沿繁荣北路向南骑行1463米左转
ⓞ沿繁荣北路向东南骑行687米左转
ⓞ沿景城路向东骑行209米右转
ⓞ沿瓯越大道向南骑行6413米向右前方行驶
ⓞ骑行64米右转
ⓞ沿塘下大道向南骑行2351米左转
ⓞ向西南骑行2576米左转
ⓞ骑行26米右转
ⓞ向西骑行20米左转
ⓞ沿富民北路向南骑行491米向右前方行驶
ⓞ骑行79米向右前方行驶
ⓞ沿富民南路向西南骑行1472米右转
ⓞ沿万松东路向西骑行2466米左转
ⓞ沿瑞祥大道向西南骑行1697米左转
ⓞ沿滨中路向东南骑行17米右转
ⓞ沿瑞祥大道向西南骑行4929米直行
ⓞ向西南骑行1844米左转
ⓞ沿镇前东街向东南骑行279米直行
ⓞ沿纬五路向东南骑行851米右转
ⓞ沿飞鳌大道向南骑行5889米直行
ⓞ沿昆鳌大道向南骑行91米直行
ⓞ沿昆鳌大道向南骑行1687米直行
ⓞ沿昆鳌大道向南骑行1656米右转
ⓞ沿昆鳌路向西南骑行738米直行
ⓞ沿京福线向西南骑行2951米向右前方行驶
ⓞ向西南骑行132米向右前方行驶
ⓞ沿京福线向西南骑行1024米
ⓞ沿京福线向西南骑行2067米到达目的地
►步行路线◄
➤向东步行96米右转
➤沿广场路向南步行1305米向右前方行走
➤沿京福线步行46米右转
➤沿京福线向西南步行666米
➤沿京福线向西南步行2067米到达目的地
►网友评论◄
平阳县鳌江镇 微信公众号文章推荐
|
|
|
|
|
|
|
|
|
|
|
为您推荐更多相关文章
|
































































